Atmel power control for a Lionel train

Lead Image © tshooter, 123RF.com

Train Power

The accessories, signals, and towns come to life on my Lionel train layout with the help of sensors, detectors, lots of relays, and Linux control software. The trains, though, remain strictly under human control. This year that's about to change!

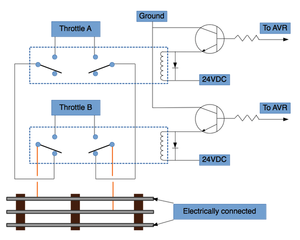
In the world of Lionel, "train power" isn't limited just to the trains themselves. Electric switches that can be thrown by remote pushbuttons (Figure 1) and uncoupling magnets (Figure 2) are the prime examples. These two devices, part of the track itself, come with the "common" wire connected to the outside rail.

Although it is possible to break this connection, often it is not practical. The accessory is designed for a button to connect the device and the inner rail, so the easiest way to activate these devices is still with the track power itself.

The accessories usually run on the same voltage levels as the track and are designed to be powered by the same throttle, but strictly speaking, track connections are not required. I try to keep them separate as much as possible.

[...]

Use Express-Checkout link below to read the full article (PDF).

Buy this article as PDF

Express-Checkout as PDF
Price $2.95
(incl. VAT)

Buy Raspberry Pi Geek

SINGLE ISSUES
 
SUBSCRIPTIONS
 
TABLET & SMARTPHONE APPS
Get it on Google Play

US / Canada

Get it on Google Play

UK / Australia

Related content